产品目录
四点接触球轴承
-
四点接触球轴承
圆柱滚子轴承
-
带保持架的圆柱滚子轴承
-
带盘式保持架或隔片的圆柱滚子轴承
-
单列满装圆柱滚子轴承
-
双列满装圆柱滚子轴承
-
高精密圆柱滚子轴承
圆锥滚子轴承
-
单列圆锥滚子轴承
-
配对圆锥滚子轴承
-
单列英制圆锥滚子轴承
-
整体式圆锥滚子轴承
鼓形滚子轴承
-
圆柱孔或圆锥孔
-
带紧定套
调心滚子轴承
-
圆柱孔或圆锥孔
-
带紧定套
-
带退卸套
冲压外圈滚针轴承
-
开式 闭式 无密封
-
开式 闭式 密封
-
开式、满装滚针单元、无密封
机加工滚针轴承
-
无内圈
-
无内圈 开式
-
带内圈 开式
-
无内圈 密封
-
带内圈 密封
-
无挡边无内圈 开式
-
无挡边带内圈 开式
-
调心 有/无内圈
-
滚针/推力球轴承 无内圈
-
滚针/ 推力球轴承 无内圈 带或不带外罩
-
滚针/ 推力圆柱滚子轴承 无内圈 带或不带外罩
-
滚针/ 角接触球轴承 带内圈
-
内圈 无润滑孔
-
内圈 带润滑孔
冲压外圈滚针离合器
-
不带轴承 带滚花或不带滚花
-
带轴承配置 带滚花或不带滚花
密封圈
-
密封圈
双向推力角接触球轴承
-
双向推力角接触球轴承
推力圆柱滚子轴承
-
推力圆柱滚子轴承 保持架组件 推力轴承垫圈
推力滚针和保持架组件
-
推力滚针和保持架组件 推力轴承垫圈
-
推力滚针轴承 带定心套
-
与向心滚针轴承 组合使用
推力调心滚子轴承
-
推力调心滚子轴承
交叉滚子轴承
-
交叉滚子轴承
丝杠支撑轴承
-
推力角接触球轴承
-
滚针/推力圆柱滚子轴承
-
密封组件 精密锁紧螺母
承受联合载荷的高精密轴承
-
推力/向心轴承
-
推力角接触球轴承
外球面轴承,轴承座单元
-
外球面轴承
- 带偏心套的外球面球轴承 d 12-25mm
- 带偏心套的外球面球轴承 d 30-35mm
- 带偏心套的外球面球轴承 d 40-55mm
- 带偏心套的外球面球轴承 d 60-120mm
- 内圈带顶丝的外球面球轴承 d 12-35mm
- 内圈带顶丝的外球面球轴承 d 40-90mm
- 带紧定套的外球面球轴承
- 带定位槽的外球面球轴承
- 带偏心套的外球面球轴承 圆柱面外圈
- 英制外球面球轴承 d 5/8-1 1/4mm
- 英制外球面球轴承 d 1 3/8-2 15/16mm
- 带橡胶内衬的外球面球轴承
- 带钢质调心圈的外球面球轴承
- 加宽内圈的深沟球轴承
- 调心深沟球轴承 球面外圈 方形内孔或六角形内孔
- 调心深沟球轴承 球面外圈 孔配合
-
轴承座单元
- 立式轴承座单元 铸铁轴承座 带长底座 d 12-25mm
- 立式轴承座单元 铸铁轴承座 带长底座 d 30-35mm
- 立式轴承座单元 铸铁轴承座 带长底座 d 40-50mm
- 立式轴承座单元 铸铁轴承座 带长底座 d 50-75mm
- 立式轴承座单元 铸铁轴承座 带长底座 d 80-120mm
- 立式轴承座单元 铸铁轴承座 带短底座
- 立式轴承座单元 铸铁轴承座 带短底座 d 40-60mm
- 两螺栓法兰式 轴承座单元 铸铁轴承座
- 两螺栓法兰式带座 外球面球轴承单元 铸铁轴承座 d 12-25mm
- 两螺栓法兰式带座 外球面球轴承单元 铸铁轴承座 d 30-40mm
- 两螺栓法兰式带座 外球面球轴承单元 铸铁轴承座 d 40-55mm
- 两螺栓法兰式带座 外球面球轴承单元 铸铁轴承座 d 60-75mm
- 带定心凸台的两螺栓法兰式
- 三螺栓法兰式
- 四螺栓法兰式 d 12-25mm
- 四螺栓法兰式 d 30-40mm
- 四螺栓法兰式 d 45-60mm
- 四螺栓法兰式 d 65-120mm
- 带定心凸台的四螺栓法兰式 d 20-45mm
- 带定心凸台的四螺栓法兰式 d 50-80mm
- 带定心凸台的四螺栓法兰式 d 90-120mm
- 带定心凸台的四螺栓法兰式 d 25-60mm
- 四螺栓法兰式 带双列角接触球轴承
- 悬挂式轴承座单元 d 20-55mm
- 悬挂式轴承座单元 d 60-120mm
- 悬挂式轴承座单元 d 20-50mm
- 悬挂式轴承座单元 d 25-50mm
- 悬挂式轴承座单元 铸铁轴承座 冲压钢轴承座
- 立式轴承座单元 冲压钢轴承座
- 双螺栓法兰式 轴承座单元 冲压钢轴承座
- 双螺栓法兰式 带橡胶内衬的冲压钢轴承座
- 三螺栓法兰式 冲压钢轴承座
- 三螺栓和四螺栓 d 12-35mm
- 三螺栓和四螺栓 d 40-60mm
链传动 惰轮轮齿单元
-
链传动 惰轮轮齿单元
-
惰轮单元
轴承座
-
立式轴承座SNV,剖分用于带紧定套的圆锥孔轴承
-
立式轴承座SNV,剖分用于圆柱孔轴承
-
立式轴承座S30,剖分适用于带紧定套的圆锥孔调心滚子轴承
-
立式轴承座SD31,剖分适用于带紧定套的圆锥孔调心滚子轴承
-
立式轴承座LOE,剖分用于圆柱孔调心滚子轴承
-
立式轴承座LOE,剖分适用于带紧定套的圆锥孔调心滚子轴承
-
立式轴承座单元VRE3,非剖分带轴及轴承
-
立式轴承座BND,非剖分适用于调心滚子轴承
-
带法兰的轴承座F112,非剖分适用于加宽内圈的调心球轴承
-
带法兰的轴承座F5,非剖分用于带紧定套的圆锥孔轴承
滚动体
-
钢球
-
圆柱滚子
向心关节轴承
-
向心关节轴承
- GE...E/GE...ES/2RS
- GEC...XS/2RS
- GEG...E/GEG...ES/2RS
- GEEW...ES
- GEEM...ES-2RS
- GEF...ES
- GE...XS/K
- GEZ…ES/2RS
- GEWZ…ES/2RS
- GEK...XS-2RS
- GE...C
- GEH…HC/HCS
- GEC…HC/HCS
- GE…ET-2RS/XT-2RS
- GEG…ET-2RS/XT-2RS
- GEC...HT
- GEH...HT
- GE...XF/Q
- GEH...XF/Q
- GEH...HF/Q
- GE...C
- GE…ET / XT-2RS
- GEG…ET-2RS / XT-2RS
- GEC...HT
- GEH...HT
- GEGZ…ES/2RS
- GEC...DW
- GEWK...ES 2RS
- WCN
询价
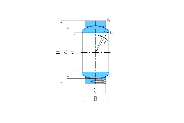
GEC600HT
- d: 600
- D: 800
- B: 272
- C: 230
- d k : 700
- r s min: 2
- r 1s min: 5
- α° ≈: 3
- 动载荷: 28980
- 静载荷: 57960
深沟球轴承是由实体内外圈、保持架和钢球组成的不可分离轴承,用途非常广泛。
该产品结构简单、可靠耐用且易于维护,有单列、双列、开式和带密封等多种设计。由于采用了标准化的加工工艺,在开式轴承外圈带有装密封圈或防尘盖的沟槽。由于摩擦力矩低,深沟球轴承适用于高速运转。
径向和轴向承载能力
由于滚道的几何形状和采用钢球作为滚动体,深沟球轴承能够同时承受双向轴向载荷和径向载荷,请见第214页,轴向承载能力。
角度不对中补偿
单列深沟球轴承的不对中补偿能力有限,所以轴承必须准确定位。
不对中将导致滚动体处于不利的滚动状态,轴承内部应力增加,从而缩短轴承工作寿命。为了将轴承的附加应力限制在较低范围内,对于单列深沟球轴承仅允许很小的倾斜角(取决于载荷大小),请见第214页,轴向承载能力。
由于其内部结构特点,双列深沟球轴承没有不对中补偿能力。
在使用此类轴承时,不允许出现倾斜角。
载荷和允许倾斜角
单列深沟球轴承
|
系列 |
允许倾斜角 |
|
|
|
轻载荷 |
重载荷 |
|
62、622、63、623、64 |
|
|
|
618、619、160、60 |
|
|
单列深沟球轴承
单列深沟球轴承是最常用的滚动轴承。有多种尺寸和设计,价格低廉。
密封
开式轴承适用于高速和超高速。
深沟球轴承的后缀2Z表示双侧间隙式密封,适用于高速。
轴承的后缀2RSR表示双侧唇式密封,采用丁腈酚醛树脂橡胶材质NBR,适用于中速。
经过协商,我们可提供两面都为非接触式BRS密封的轴承(后缀2BRS)。该轴承具有良好的摩擦性能,等同于Z型密封轴承。如果内圈静止而外圈旋转,漏脂将小于带Z型防尘盖的密封。
润滑
开式轴承可用脂润滑或油润滑。
双侧带间隙式密封或唇式密封的深沟球轴承加注了高质量油脂,用于终生润滑。
防腐蚀保护
对于有很高抗腐蚀要求应用场合,我们可以设计提供密封式和开式防腐蚀深沟球轴承。有关抗腐蚀轴承的产品范围,在样本TPI 64中,有详细的介绍。
配对单列深沟球轴承
经过协商,提供作为配对轴承而进行多种组合的深沟球轴承160、60、62、63、64 和618系列,图1。
O型布置(后缀DB)既可承受双向轴向力,也可承受倾覆力矩。
X型布置(后缀DF)可承受双向轴向力,但不适合承受倾覆力矩。
对于有高的单向轴向力的应用场合,可使用串联配对的轴承布置(后缀DT)。
|
①O型布置,DB ②X型布置,DF ③串联布置,DT 图1 配对组合 |
|
双列深沟球轴承
双列深沟球轴承在结构和功能上相当于配对使用的一对单列深沟球轴承。它们适用于高速和超高速,可用于单列深沟球轴承承载力不够的场合。
在相同内径和外径情况下,双列深沟球轴承比单列深沟球轴承宽度要宽,同时承载力也明显增强。
密封
双列深沟球轴承无带密封设计。
润滑
轴承不带密封并且装有高品质的润滑脂。
工作温度
开式深沟球轴承工作温度不高于+120℃。当工作温度高于+120℃,请与我们联系。轴承外径D大于240mm,其尺寸稳定性温度可达+200℃。
唇式密封深沟球轴承的工作温度范围为–30℃到+110℃,受其润滑脂和密封圈材料限制。
间隙密封轴承工作温度范围为–30℃到+120℃。
带玻璃纤维增强尼龙保持架的轴承最高工作温度不超过+120℃。
保持架
不带保持架后缀的深沟球轴承型号采用冲压钢保持架。
钢球引导黄铜实体保持架的轴承后缀为M。
后缀Y表明轴承保持架为冲压黄铜。
双列深沟球轴承,其保持架由玻璃纤维增强尼龙制成(后缀TVH)。
检查尼龙对合成脂和含极压添加剂的润滑剂的化学稳定性。
在高温下,老化的润滑油和油中的添加剂会降低尼龙保持架的工作寿命。必须遵照润滑油的更换周期。
保持架和内径代码
|
系列 |
冲压钢板 保持架 |
冲压黄铜板 保持架 |
黄铜实体 保持架 |
玻璃纤维增强 尼龙实体保持架 |
|
|
内径代码 |
|||
|
42 |
- |
- |
- |
所有 |
|
43 |
- |
- |
- |
所有 |
|
60 |
至30、 34 |
- |
32、自36 |
- |
|
62 |
至30 |
- |
自32 |
- |
|
63 |
至24 |
- |
自26 |
- |
|
64 |
至14 |
- |
自15 |
- |
|
160 |
至52 |
- |
自56 |
- |
|
618 |
至08、 26、 30至 56 |
09至24、28 |
自60 |
- |
|
619 |
至16 |
- |
- |
- |
|
622 |
至10 |
- |
- |
- |
|
623 |
至10 |
- |
- |
- |
后缀
现有设计的后缀:请见下表。
|
后缀 |
说明 |
设计 |
|
B |
改进的内部设计 |
标准设计 |
|
M |
实体黄铜保持架,钢球导引 |
|
|
DB |
O型配置的两个深沟球轴承, 配对使用游隙为零 |
如有需求, 也提供特殊设计 |
|
DF |
X型配置的两个深沟球球轴承, 配对使用游隙为零 |
|
|
DT |
串联配置的两个深沟球球轴承, 配对使用游隙为零 |
|
|
2RSR |
两侧唇式密封 |
标准设计 |
|
RSR |
单侧唇式密封 |
如有需求, 也提供特殊设计 |
|
BRS |
迷宫式密封 |
|
|
TVH |
玻璃纤维增强尼龙实体保持架 |
|
|
Y |
冲压黄铜板保持架 |
|
|
2Z |
两侧间隙式密封 |
|
|
Z |
单侧唇密封 |
设计与安全指南
轴承当量动载荷
对于承受动载荷的轴承,适用下列公式:
P N
联合载荷下的轴承当量动载荷
Fa N
轴承轴向动载荷
Fr N
轴承径向动载荷
e, X, Y –
系数:见e、X 和Y 表。
表中e、X和Y的值,适用于正常配合:
1.轴加工为j5或k5,轴承座加工为J6。
系数e?X和Y
|
F0·Fa/C0r |
不同内部径向游隙组别下的系数值 |
||||||||
|
CN |
C3 |
C4 |
|||||||
|
e |
X |
Y |
e |
X |
Y |
e |
X |
Y |
|
|
0.3 |
0.22 |
0.56 |
2 |
0.32 |
0.46 |
1.7 |
0.4 |
0.44 |
1.4 |
|
0.5 |
0.24 |
0.56 |
1.8 |
0.35 |
0.46 |
1.56 |
0.43 |
0.44 |
1.31 |
|
0.9 |
0.28 |
0.56 |
1.58 |
0.39 |
0.46 |
1.41 |
0.45 |
0.44 |
1.23 |
|
1.6 |
0.32 |
0.56 |
1.4 |
0.43 |
0.46 |
1.27 |
0.48 |
0.44 |
1.16 |
|
3 |
0.36 |
0.56 |
1.2 |
0.48 |
0.46 |
1.14 |
0.52 |
0.44 |
1.08 |
|
6 |
0.43 |
0.56 |
1 |
0.54 |
0.46 |
1 |
0.56 |
0.44 |
1 |
C0r N
基本额定静载荷,如尺寸表所示
f0 –
系数:请见深沟球轴承系数f0表,第212页
Fa N
轴承轴向动载荷。
深沟球轴承系数f0表
|
内径 代码 |
系数f0 |
||||||||||
|
618 |
619 |
160 |
60 |
62 |
622 |
63 |
623 |
64 |
42 |
43 |
|
|
3 |
- |
- |
- |
- |
12.9 |
- |
- |
- |
- |
- |
- |
|
4 |
- |
- |
- |
- |
12.2 |
- |
12.4 |
- |
- |
- |
- |
|
5 |
- |
- |
- |
- |
13.2 |
- |
12.2 |
- |
- |
- |
- |
|
6 |
- |
- |
- |
- |
13 |
- |
- |
- |
- |
- |
- |
|
7 |
- |
- |
- |
13 |
12.4 |
- |
- |
- |
- |
- |
- |
|
8 |
- |
- |
- |
12.4 |
13 |
- |
- |
- |
- |
- |
- |
|
9 |
- |
- |
- |
13 |
12.4 |
- |
- |
- |
- |
- |
- |
|
00 |
14.8 |
14 |
- |
12.4 |
12.1 |
12.1 |
11.3 |
- |
- |
12.1 |
- |
|
01 |
15.3 |
14.5 |
- |
13 |
12.3 |
12.2 |
11.1 |
- |
- |
12.7 |
- |
|
02 |
15.8 |
14.3 |
13.9 |
13.9 |
13.1 |
13.1 |
12.1 |
12.1 |
- |
13.4 |
12.8 |
|
03 |
16.1 |
14.7 |
14.3 |
14.3 |
13.1 |
13.1 |
12.3 |
12.2 |
12.4 |
13.1 |
13.1 |
|
04 |
15.8 |
14.5 |
14.9 |
13.9 |
13.1 |
13.1 |
12.4 |
12.1 |
13 |
13.8 |
13.1 |
|
05 |
16.3 |
15.2 |
15.4 |
14.5 |
13.8 |
13.8 |
12.4 |
12.4 |
13.1 |
14.3 |
13.2 |
|
06 |
16.5 |
15.6 |
15.2 |
14.8 |
13.8 |
13.8 |
13 |
13 |
12.2 |
14.3 |
13.8 |
|
07 |
16.3 |
15.5 |
15.6 |
14.8 |
13.8 |
13.8 |
13.1 |
13.1 |
12.1 |
14.5 |
13.1 |
|
08 |
16.1 |
15.4 |
16 |
15.3 |
14 |
14 |
13 |
13 |
12.2 |
14.9 |
13.2 |
|
09 |
16.2 |
15.7 |
15.9 |
15.4 |
14.3 |
14.1 |
13 |
13 |
12.1 |
15.3 |
13.9 |
|
10 |
16.1 |
16 |
16.1 |
15.6 |
14.3 |
14.3 |
13 |
13 |
13.1 |
15.5 |
13.8 |
|
11 |
16.2 |
16 |
16.1 |
15.4 |
14.3 |
- |
12.9 |
- |
13.2 |
15.5 |
13.8 |
|
12 |
16.3 |
16.1 |
16.3 |
15.5 |
14.3 |
- |
13.1 |
- |
13.2 |
15.4 |
13.8 |
|
13 |
16.2 |
16.3 |
16.4 |
15.7 |
14.3 |
- |
13.2 |
- |
13.2 |
15.3 |
- |
|
14 |
16.1 |
16.1 |
16.2 |
15.5 |
14.4 |
- |
13.2 |
- |
13.3 |
15.5 |
- |
|
15 |
16 |
16.2 |
16.4 |
15.7 |
14.7 |
- |
13.2 |
- |
13.3 |
15.7 |
- |
|
16 |
15.9 |
16.4 |
16.4 |
15.6 |
14.6 |
- |
13.2 |
- |
12.3 |
15.7 |
- |
|
17 |
16.2 |
- |
16.4 |
15.7 |
14.7 |
- |
13.1 |
- |
12.3 |
15.7 |
- |
|
18 |
16.1 |
- |
16.3 |
15.6 |
14.5 |
- |
13.9 |
- |
12.2 |
15.5 |
- |
|
19 |
16 |
- |
16.5 |
15.7 |
14.4 |
- |
13.9 |
- |
- |
- |
- |
|
20 |
16 |
- |
16.5 |
15.9 |
14.4 |
- |
13.8 |
- |
- |
- |
- |
|
21 |
15.9 |
- |
16.3 |
15.8 |
14.3 |
- |
13.8 |
- |
- |
- |
- |
|
22 |
16.1 |
- |
16.3 |
15.6 |
14.3 |
- |
13.8 |
- |
- |
- |
- |
|
24 |
16 |
- |
16.5 |
15.9 |
14.8 |
- |
13.5 |
- |
- |
- |
- |
|
26 |
16.1 |
- |
16.4 |
15.8 |
14.5 |
- |
13.6 |
- |
- |
- |
- |
|
28 |
16 |
- |
16.5 |
16 |
14.8 |
- |
13.6 |
- |
- |
- |
- |
|
30 |
16.1 |
- |
16.4 |
16 |
15.2 |
- |
13.7 |
- |
- |
- |
- |
|
32 |
16 |
- |
16.5 |
16 |
15.2 |
- |
13.9 |
- |
- |
- |
- |
|
34 |
16.1 |
- |
16.4 |
15.7 |
15.3 |
- |
13.9 |
- |
- |
- |
- |
|
36 |
16 |
- |
16.3 |
15.6 |
15.3 |
- |
13.9 |
- |
- |
- |
- |
|
38 |
16 |
- |
16.4 |
15.8 |
15 |
- |
14 |
- |
- |
- |
- |
|
40 |
16 |
- |
16.3 |
15.6 |
15.3 |
- |
14.1 |
- |
- |
- |
- |
|
44 |
15.9 |
- |
16.3 |
15.6 |
15.2 |
- |
14.1 |
- |
- |
- |
- |
|
48 |
15.9 |
- |
16.5 |
15.8 |
15.2 |
- |
14.2 |
- |
- |
- |
- |
|
52 |
15.9 |
- |
16.4 |
15.7 |
15.2 |
- |
- |
- |
- |
- |
- |
|
56 |
16 |
- |
16.5 |
15.9 |
15.3 |
- |
- |
- |
- |
- |
- |
|
60 |
16 |
- |
16.4 |
15.7 |
- |
- |
- |
- |
- |
- |
- |
|
64 |
15.9 |
- |
16.5 |
15.9 |
- |
- |
- |
- |
- |
- |
- |
|
68 |
15.9 |
- |
16.3 |
15.8 |
- |
- |
- |
- |
- |
- |
- |
|
72 |
15.8 |
- |
16.4 |
15.9 |
- |
- |
- |
- |
- |
- |
- |
|
76 |
16 |
- |
16.5 |
- |
- |
- |
- |
- |
|
- |
- |
|
80 |
15.9 |
- |
- |
- |
- |
- |
- |
- |
- |
- |
- |
|
84 |
15.9 |
- |
- |
- |
- |
- |
- |
- |
- |
- |
- |
|
88 |
15.8 |
- |
- |
- |
- |
- |
- |
- |
- |
- |
- |
|
92 |
16 |
- |
- |
- |
- |
- |
- |
- |
- |
- |
- |
|
96 |
16 |
- |
- |
- |
- |
- |
- |
- |
- |
- |
- |
|
/500 |
15.9 |
- |
- |
- |
- |
- |
- |
- |
- |
- |
- |
|
/530 |
15.9 |
- |
- |
- |
- |
- |
- |
- |
- |
- |
- |
|
/560 |
15.8 |
- |
- |
- |
- |
- |
- |
- |
- |
- |
- |
|
… /850 |
|
|
|
|
|
|
|
|
|
|
|
轴承当量静载荷
对于承受静载荷的轴承,适用下列公式:
P0 N
联合载荷下的轴承当量静载荷
F
轴承轴向静载荷
F0r N
轴承径向静载荷。
轴向承载能力
深沟球轴承也适合于承受轴向载荷。
如果轴承高速运转同时承受重载,就必须考虑因摩擦增加和温升导致的寿命减少。
最小径向载荷
为了保证轴承无打滑运转,必须对轴承施加最小径向载荷。对于高速、 高加速度的工况尤为重要。在连续运转条件下,最小径向载荷P/Cr>0.01对于带保持架的球轴承来说是必需的。
轴承布置设计
轴和轴承座公差
圆柱孔向心轴承的推荐轴公差,请见第150页,表。
向心轴承的轴承座公差,请见第152页,表。
安装尺寸
尺寸表给出了相邻结构倒角尺寸ra的最大值和相邻挡肩直径Da和da。
精度
单列深沟球轴承的外形尺寸符合DIN 625-1,双列深沟球轴承的外形尺寸符合DIN 625-3。
尺寸和旋转精度相应PN级符合标准DIN 620。
配对轴承的宽度公差标准与此不同,请见下表。
配对轴承套圈的宽度公差
|
内孔直径 d mm |
宽度偏差 △Bs μm |
||
|
大于 |
到 |
min. |
max. |
|
- |
18 |
0 |
-250 |
|
18 |
50 |
0 |
-300 |
|
50 |
80 |
0 |
-450 |
|
80 |
120 |
0 |
-550 |
|
120 |
180 |
0 |
-750 |
|
180 |
250 |
0 |
-950 |
|
250 |
315 |
0 |
-1050 |
|
315 |
400 |
0 |
-1350 |
|
400 |
500 |
0 |
-1650 |
圆柱孔轴承内部径向游隙
内部径向游隙符合DIN 620-4标准,标准轴承的内部径向游隙为CN组。
内部径向游隙
|
内径 |
|
内部径向游隙 |
|||||||
|
d mm |
|
C2 μm |
CN μm |
C3 μm |
C4 μm |
||||
|
大于 |
到 |
min. |
max. |
min. |
max. |
min. |
max. |
min. |
max. |
|
1.5 |
6 |
0 |
7 |
2 |
13 |
8 |
23 |
- |
- |
|
6 |
10 |
0 |
7 |
2 |
13 |
8 |
23 |
14 |
29 |
|
10 |
18 |
0 |
9 |
3 |
18 |
11 |
25 |
18 |
33 |
|
18 |
24 |
0 |
10 |
5 |
20 |
13 |
28 |
20 |
36 |
|
24 |
30 |
1 |
11 |
5 |
20 |
13 |
28 |
23 |
41 |
|
30 |
40 |
1 |
11 |
6 |
20 |
15 |
33 |
28 |
46 |
|
40 |
50 |
1 |
11 |
6 |
23 |
18 |
36 |
30 |
51 |
|
50 |
65 |
1 |
15 |
8 |
28 |
23 |
43 |
38 |
61 |
|
65 |
80 |
1 |
15 |
10 |
30 |
25 |
51 |
46 |
71 |
|
80 |
100 |
1 |
18 |
12 |
36 |
30 |
58 |
53 |
84 |
|
100 |
120 |
2 |
20 |
15 |
41 |
36 |
66 |
61 |
97 |
|
120 |
140 |
2 |
23 |
18 |
48 |
41 |
81 |
71 |
114 |
|
140 |
160 |
2 |
23 |
18 |
53 |
46 |
91 |
81 |
130 |
|
160 |
180 |
2 |
25 |
20 |
61 |
53 |
102 |
91 |
147 |
|
180 |
200 |
2 |
30 |
25 |
71 |
63 |
117 |
107 |
163 |
|
200 |
225 |
2 |
35 |
25 |
85 |
75 |
140 |
125 |
195 |
|
225 |
250 |
2 |
40 |
30 |
95 |
85 |
160 |
145 |
225 |
|
250 |
280 |
2 |
45 |
35 |
105 |
90 |
170 |
155 |
245 |
|
280 |
315 |
2 |
55 |
40 |
115 |
100 |
190 |
175 |
270 |
|
315 |
355 |
3 |
60 |
45 |
125 |
110 |
210 |
195 |
300 |
|
355 |
400 |
3 |
70 |
55 |
145 |
130 |
240 |
225 |
340 |
|
400 |
450 |
3 |
80 |
60 |
170 |
150 |
270 |
250 |
380 |
|
450 |
500 |
3 |
90 |
70 |
190 |
170 |
300 |
280 |
420 |
|
500 |
560 |
10 |
100 |
80 |
210 |
190 |
330 |
310 |
470 |
|
560 |
630 |
10 |
110 |
90 |
230 |
210 |
360 |
340 |
520 |
|
630 |
710 |
20 |
130 |
110 |
260 |
240 |
400 |
380 |
570 |
|
710 |
800 |
20 |
140 |
120 |
290 |
270 |
450 |
430 |
630 |
|
800 |
900 |
20 |
160 |
140 |
320 |
300 |
500 |
480 |
700 |









